Технические характеристики
Количество полюсов | 2 |
---|---|
Температура жидкости | от -10°C до +90°C |
Вес | 22.0 кг |
---|
Описание насоса Lubi MH/MHI/MHN 10-10
Lubi MH/MHI/MHN 10-10 - Горизонтальные многоступенчатые центробежные моноблочные насосы нормального всасывания, с осевым всасывающим и радиальным напорным патрубками.
Насосные агрегаты Lubi серии MH/MHI/MHN 10-10 состоят из проточной части и электродвигателя с основанием. Рабочие колеса изготовлены методами штамповки и сварки из листовой нержавеющей стали и установлены на удлинненом валу электродвигателя консольно. Напорный патрубок – радиальный, всасывающий – осевой. В качестве уплотнения проточной части используется торцевое уплотнение. В корпусе насоса предусмотрено отверстие для слива рабочей жидкости, если это необходимо. Также в корпусе есть отдельное отверстие для заполнения проточной части в момент пуска, чтобы обеспечить смазывание рабочих поверхностей торцевого уплотнения.
Температура окружающего воздуха не более 55°C.
Максимальное допустимое конечное давление в корпусе насоса:
- 10 бар для перекачиваемой жидкости с температурой до +40°C
- 6 бар для перекачиваемой жидкости с температурой от +40°C до +90°C
Непрерывный режим эксплуатации S1.
Особенности конструкции
- Конденсатор встроен в контактную коробку.
- Изоляция класса "F"
- Защитное утройство IP 54
- Трехфазные двигатели с классом энергосбережение IE3 (IE2 до 0,65 кВт)
- Двигатель предрасположен для работы с инвертором от 1,1 кВт.
Специальные исполнения
- Другие напряжения
- частота 60 Гц
- с защитным устройством IP 55
- специальные механические уплотнения
- уплотнительные кольца из витона
- для среды с более высокой или более низкой температурой
- двигатель предрасположени для работы с инвертором до 0,75 кВт
Материалы
- MH:Ступени насоса, а также все подвижные части, контактирующие с перекачиваемой жидкостью, изготовлены из нержавеющей стали AISI 304. Напорный и всасывающий корпусы изготовлены из серого чугуна. Опорная плита изготовлена из стали. Все детали из серого чугуна и опорная плита имеют электрокоррозийное покрытие (CED) для защиты от ржавчины и коррозии.
- MHI: Напорный и всасывающий корпусы, а также все детали, контактирующие с перекачиваемой жидкостью, изготовлены из нержавеющей стали AISI 304.
- MHN: Напорный и всасывающий корпусы, а также все детали, контактирующие с перекачиваемой жидкостью, изготовлены из нержавеющей стали AISI 316.
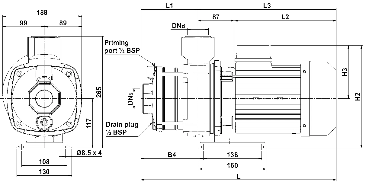
Габаритные размеры насоса Lubi MH/MHI/MHN 10-10

Frame | DNs | DNd | H2 | H3 | L1 | B4 | L | L2 | L3 |
---|---|---|---|---|---|---|---|---|---|
71 | 1½" | 1½" | 222 | 105 | 75 | 88 | 382 | 184 | 270 |