Насосы Pumpiran серии Etaline аналог насосов KSB Etaline
Расход 4 - 18 м3/ч
Напор 9 - 15 м
Мощность 1,5 кВт
Технические характеристики
Частота вращения | 1500 об/мин |
---|---|
Температура жидкости | до +110°C |
Размер фланца | DN 50 |
---|---|
Вес | 67 кг |
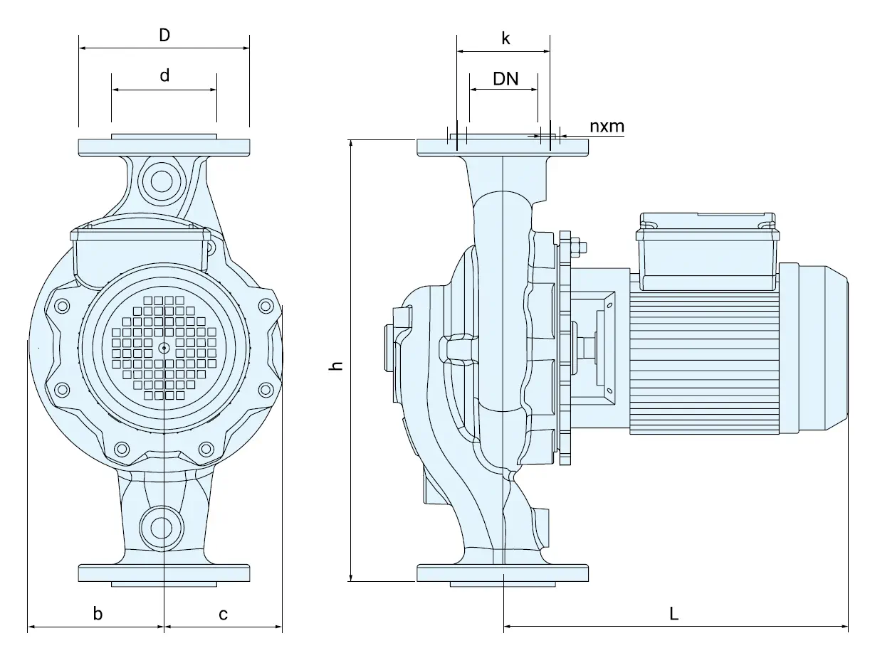
Габаритные размеры насоса Pumpiran Etaline 50-20 1,5 квт
